BCA-EXP

BCA-EXP; alüminyum malzemeli, tek nokta tipli yük hücresidir. Patlama tehlikesi olan ortamlarda, orta büyüklükteki Ex-proof teraziler için uygundur.

 

Adres

Giyimkent Sitesi Esenler / İstanbul

Telefon

+90 532 783 74 86

E-Mail

info@agtendustriyel.com

ÜRÜN ÖZELLİKLERİ

Malzeme: Eloksallı Alüminyum

Kablo: Ø5 x 4P x 1.5m (Urethane)

Koruma Sınıfı: IP65

Nominal Çıkış: 2.0 ± 0.2 mV/V

Opsiyon:

BCA-EXP (Ex ia IIC T4 Onayı)

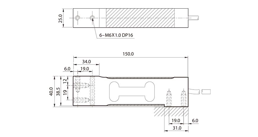
Ürün Teknik Çizim

GENEL ÜRÜN KATALOĞU