LSS AKSESUAR

LSS ACCESSORY LSS (Pan Cake Load Cell) ACCESSORY

Adres

Giyimkent Sitesi Esenler / İstanbul

Telefon

+90 532 783 74 86

E-Mail

info@agtendustriyel.com

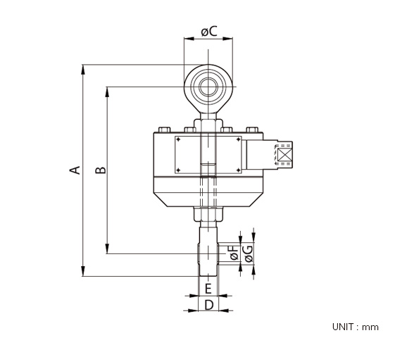
CapaABCDEFøGHI
1tf13690130105210 X 130185 X 105211212
2tf
3tf
5tf1459930
10tf1661131601253014
20tf19614320016030
30tf



CapaABCDEF
1tf10559130210 X 1301212
2tf
3tf
5tf10761
10tf140801601601414
20tf175115200200
30tf

 

GENEL ÜRÜN KATALOĞU